Memory
| Type | Quiz 2 Material |
|---|
Address Space -- How many addresses are possible?
Addressability -- How big is each memory location
- If you have a memory with a 16-bit address in which each byte is given a distinct memory address, the addressability of the memory this memory is 8 bit.
- If you have a memory with a 16-bit address in which each byte is given a distinct memory address, the address space of this memory is 
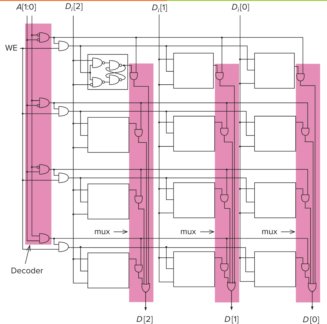
Basic building block of a memory
- Register
- Gated D Latch
- Decoder
- Multiplexors
Edge-triggered(Leader-Follow) Flip Flop
Edge-triggering: The circuit’s data inputs have control only during the time that the enable input is transitioning from one state to another. (It is desirable to limit the responsiveness of a latch circuit to a very short period of time instead of the entire duration that the enabling input is activated.)


Full circuit:

Questions & Answers
If you have a memory with a 16-bit address in which each byte is given a distinct memory address, what is the addressability of this memory?
8 bits
If you have a memory with a 16-bit address in which each byte is given a distinct memory address, what is this memory’s address space?
 65536
What is the difference between address space and addressability?
Computer memory is made up of distinct memory addresses, each containing some amount of data
- Address space: the number of memory addresses that exist
- Addressability: the amount of data stored at any given memory address
- An n-bit address line can represent 2n memory addresses
What are the address space and addressability if
- A memory address is 13 bits, and there are 16 bits of data at each memory address?
- Address space: 
- Addressability: 16 bits
- There are 1024 memory addresses and the memory is byte-addressable?
- Address space: 1024
- Addressability: 8 bits
- There are 2048 memory addresses and the memory is 8KiB (8⨯1024⨯8 bits) in total?
- Address space : 2048
- Addressability : 65536 / 2048 = 32 bits
- A memory unit has 4KiB (4⨯1024⨯8 bits) of total storage and every bit has its own address?
- Address space: 4x1024x8
- Addressability: 1 bit since every bit has its own address
- The "address" input of a memory unit is 16 bits wide and the "data" input of the memory unit is 32 bits wide?
- Address space: 
- Addressability: 32


